[30+] Chevrolet 8v, Schaltplan Chevrolet Malibu, Chevelle, El Camino, Monte Carlo Und GMC
Chevrolet Schaltplan 8v 2cv Schaltplan Datei
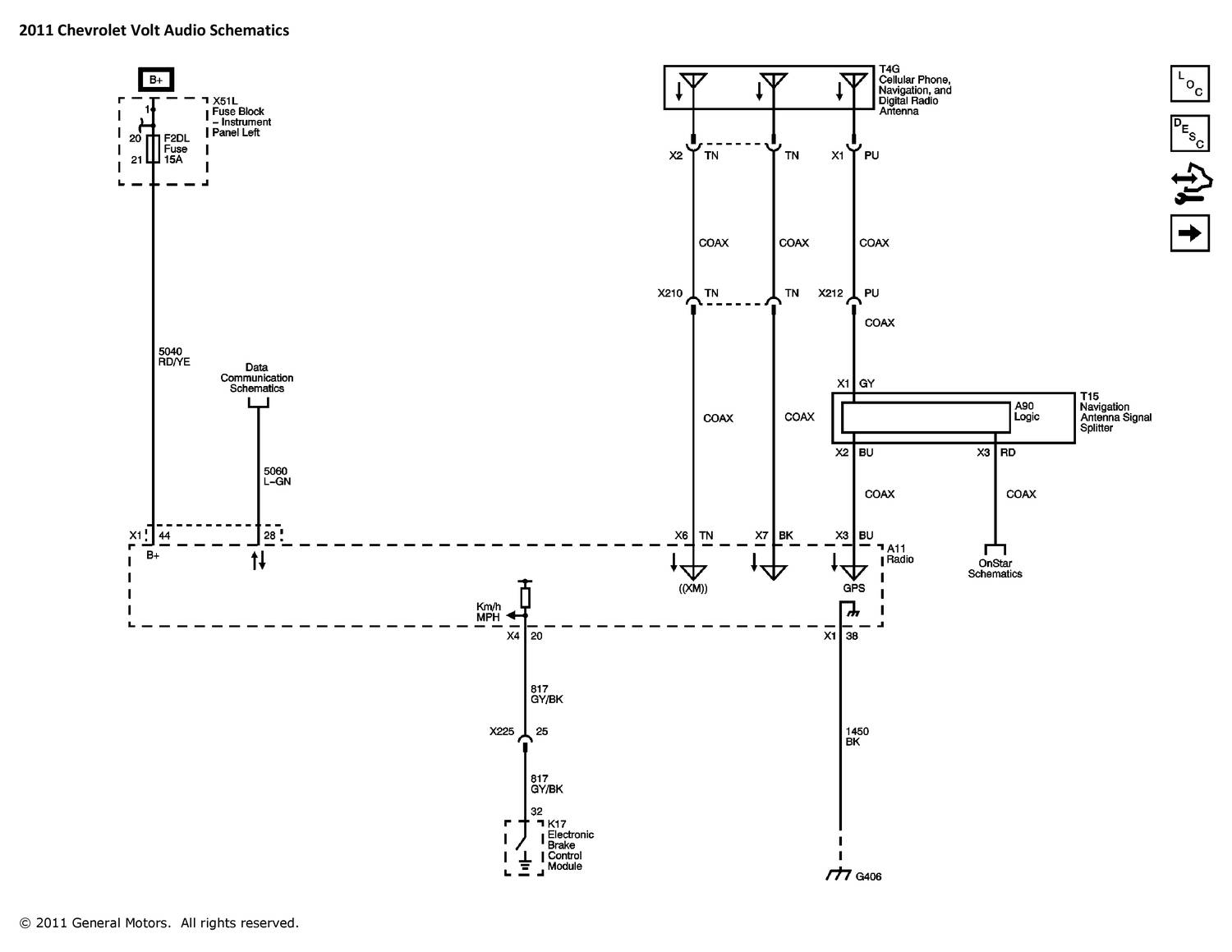
If you are {looking for|searching about} 2011+Chevrolet+Volt+Audio+Schematics.pdf | DocDroid you've {came|visit} to the right {place|web|page}. We have 10 {Pics|Pictures|Images} about 2011+Chevrolet+Volt+Audio+Schematics.pdf | DocDroid like Schaltplan Chevrolet Malibu, Chevelle, El Camino, Monte Carlo und GMC, Datei:Schaltplan-2cv-1955 1.jpg – 2cv-wiki.de and also 2011+Chevrolet+Volt+Audio+Schematics.pdf | DocDroid. {Read more|Here you go|Here it is}:
Www.tri-chevy-forum.de
Elektronischer regler 6v schaltplan. 2011+chevrolet+volt+audio+schematics.pdf. Alternator swap delco gbodyforum mopar jujuy ls2 serpentine lq4 dingo pearly whiten whites facelift ls1tech alternators. Pollin gmz-bausatz




Komentar
Posting Komentar